|
Àü·Â |
Àü±â°¡ ´ÜÀ§½Ã°£´ç
ÇÏ´Â ÀÏÀ» ¸»ÇÑ´Ù. |
|
JOULE¿ |
ÀúÇ×R(Ohm)ÀÇ
ÀúÇ×ü¿¡ Àü·ù I(Ampere)¸¦ t(Sec)°£ ¿¬¼ÓÀ¸·Î È带 ¶§ ÀúÇ×ü¿¡
¹ß»ýÇÏ´Â ¿·®À» ¸»Çϸç, ¾Æ·¡½ÄÀ¸·Î Ç¥½ÃÇÑ´Ù.
W=I©÷ R t / 4.186= 0.24 I©÷ R t (cal) |
|
¿·®ÀÇ ´ÜÀ§ |
¹° 1gÀ» 1¡É
¿Âµµ »ó½ÂÇϴµ¥ ÇÊ¿äÇÑ ¿·®À» ¸»ÇѸç, ´ÜÀ§´Â 1Kcal·Î Ç¥½ÃÇÑ´Ù.ÀϹÝÀûÀ¸·Î
Kcal ¶Ç´Â KWH·Îµµ Ç¥½ÃÇÑ´Ù.
1£ÛKcal£Ý = 4186 (J) £ÛW.ÃÊ]
860 (Kcal) = 1KWH |
| OhmÀÇ
¹ýÄ¢ |
ÀúÇ× R(Omh)ÀÇ
ÀúÇ×ü¿¡ Àü¾Ð E(Volt)¸¦ Àΰ¡Çϸé Àü·ù I (Ampere) °¡ È帣¸ç
´ÙÀ½°ú °°Àº ½ÄÀ¸·Î Ç¥½ÃÇÑ´Ù.
I = E / R (A), E = I R (V), R = E / I (¥Ø)
I = Àü·ù (Ampere) (A), E = Àü¾Ð(Vcal) (V), R =
Àü±âÀúÇ× (Ohm) (¥Ø) |
Á÷¿
Á¢¼ÓÀÇ
ÇÕ¼ºÀúÇ× |
Á÷¿·Î ÀúÇ×À»
Á¢¼ÓÇÏ¸é °¢ ÀúÇ×ü¿¡ È帣´Â Àü·ù´Â °°À¸¸ç °¢ ÀúÇ×ÀÇ Àü¾Ð°Çϸ¦ V©û, V©ü,V©ý·Î
Çϰí, È帣´Â Àü·ù¸¦ I(A)¶ó Çϸé V©û = I R©û, V©ü = I R©ü,
V©ý = I R©ý
...
AD °£ÀÇ Àü¾ÐV (V)Àº °¢ ÀúÇ×ÀÇ Àü¾Ð°ÇÏÀÇ ÇÕ°ú °°À¸¹Ç·Î.
V = V©û+ V©ü+ V©ý= I R©û + I R©ü I R©ý= I (R©û+ R©ü+
R©ý) |
º´¿
Á¢¼ÓÀÇ
ÇÕ¼ºÀúÇ× |
ÀúÇ× R©ö, R,
R©ý)
|
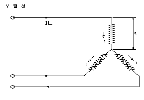
| ȕȗ
±³·ùȸ·Î |
| ¼±°£Àü¾Ð E(V)ÀÇ ÆòÇü 3»ó±³·ù ȸ·Î¿¡ DELTA(¥Ä) ¶Ç´Â
STAR(Y) °á¼±ÇÑ °æ¿ìÀÇ Àü¾Ð, Àü·ù, Àü·ÂÀÇ °ü°è´Â ¾Æ·¡¿Í
°°´Ù. |
 |
IL = ¡î3I (A)
I = EL / R (A)
W = 3ELI = ¡î3IELIL (W) |
|
 |
EL = ¡î3I E (V)
I = IL = E / R = EL / ¡î3R (A)
W = 3EI = ¡î3ELIL (W )
EL = ¼±Àü¾Ð (V)
IL = ¼±Àü·ù (A)
I = »óÀü·ù (A)
R = ÀúÇ× (¥Ø)
W = Àü·Â (W)
E = »óÀü¾Ð (V) |
|
|
OHMÀÇ
¹ýÄ¢µµÇ¥ |
.......... |
Àü±â°¡¿±âÀÇ
°æ¿ì
kw»êÃâ¹æ½Ä |
(A) kw =
Áß·®(KG)¡¿ºñ¿¡¿»ó½Â¿Âµµ(¡É) / 860
(B) kw = w/§² (¿¼Õ½ÇÇ¥¿¡ ÀÇÇÔ) ¡¿ Ç¥¸éÀû (§²) / 1000 |
| ¾×ü°¡¿±âÀÇ
°æ¿ì |
(1) 1½Ã°£¿¡
Èñ¸Á¿Âµµ±îÁö ¾×ü¿Âµµ¸¦ »ó½Â½Ã۱â À§ÇÑ kw
......kw = A
+ B / 2
(2) ¿¬¼ÓÀÛ¾÷ÀÇ °æ¿ì
......kw = A
(´Ã¸°¾×ü¸¦ Æ÷ÇÔ) + B |
FAN HEATER
¼ÒºñÀü·Â »êÃâ ¹æ½Ä |
°ø½Ä : m3/min¡¿60ºÐ¡¿1.3(°ø±âºñÁßkg)¡¿0.242(°ø±âºñ¿)¡¿(
)¡É¿Âµµ= §»
§»¡À860§º¡¿1.2(Àü±âÈ¿À²80%)= §Ò
´ÜÀ§ : m3/min(·ç¹è)=ºÐ´ç ¹Ù¶÷ÀÇ ¾ç
.........°ø±âºñÁß(kg)=
1.3
.........°ø±âºñ¿
= 0.242
.........1§Ò/hr
= 860§»
¡Ø ´Ü, ¼Ûdz¹æÇâÀÌ Á÷¼± ¶Ç´Â °î¼±µî¿¡ µû¸¥ º¯È°¡ ÀÖÀ½.
¿¹¹®)) 500¡ÉÀÇ ¿Âµµ µµÃâ. ºÐ´ç ¹Ù¶÷ÀÇ ¾ç 0.8·ç¹è.
.........¢Ñ 0.8¡¿60¡¿1.3¡¿0.242¡¿50¡É
= 7,550§»
.............7,550¡À860=8,779
.............8,779¡¿1.2=10.535§Ò
(10535W)HEATER¿ë·® |
¹°
°¡¿½Ã ¼ÒºñÁ¯·Â
»êÃâ ¹æ½Ä |
°ø½Ä : ¹°ÀǾ硿»ó½Â¿Âµµ¡¿½Ã°£(ºÐ)¡À1000(§º)=
§»
§»¡À860¡¿1.2(Àü±âÈ¿À²)= §Ò
¡Ø ´Ü, CAPÀÇ OPENÇü, ¹ÐÆóÇü¿¡ µû¶ó Â÷À̰¡ ÀÖÀ½.
¿¹¹®)) ¹°ÀÇ ¾ç 50§¦, »ó½Â¿Âµµ 50¡É, ½Ã°£ 20ÃÊ(60ºÐ 1ºÐ¿¡ 3ȸ¡¿60=180ȸÀÓ)
.........¢Ñ 50§¦¡¿50¡¿180=450,000§º
.............450,000¡À1,000=450§»
.............450¡À860=0.532§Ò
.............0.532¡¿1.2=0.627§Ò
(627W) |